Menu

Dremel 300 Spare Part Number 3 - Armature 230V 2610941201

B-2610941201
$8900
In stock
Shipping Information
Find similar
Description

GENUINE DREMEL PART

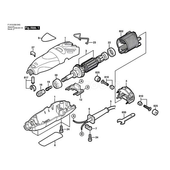
To open your Dremel you will need to remove the screws with a long Torx bit. The side labels will also need to be removed (or carefully cut through the middle of the label with a box cutter knife) before the clamshell housing can be split apart.

This part is suitable for the following models only.
Dremel 300 Rotary Tool
Dremel 395 Rotary Tool

SPECIFICATIONS
4 locking pin holes
Locking pin hole diameter 3.0mm

Part number 3 from the parts diagram - see image

NOTE
Spare parts cannot be returned so please choose carefully.

We can supply other Bosch and Dremel spare parts so get in touch if you need something for your angle grinder, circular saw, battery powered tools etc.

Testntools is an authorised reseller for Bosch NZ, we don't parallel import.

Reviews

No reviews found

  • Recently Viewed
  • Featured Products
  • On Sale