Menu

Bosch GKS235 Spare Part Number 803 - Armature 230V 1619P01696

B-1619P01696
$15990
Out of stock
Shipping Information
Description

GENUINE BOSCH PART

Armature 230V for Bosch Circular Hand Saw:
GKS 85
GKS 235
GKS 85 G

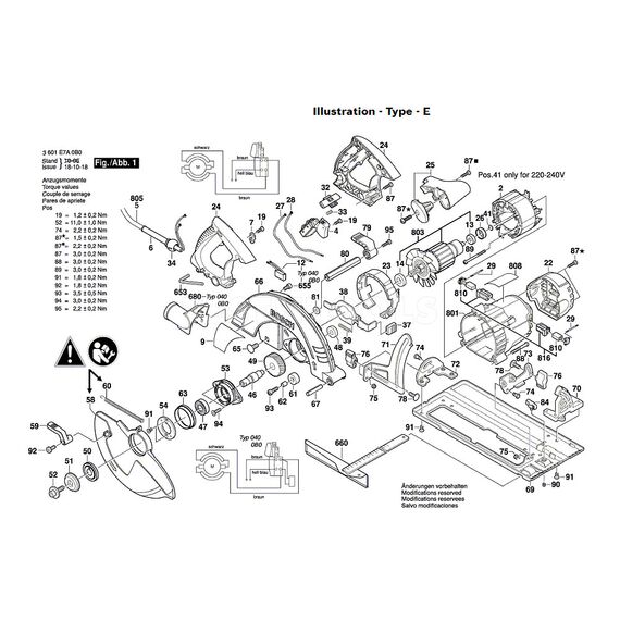
Part number 803 from the parts diagram - see image

NOTE
Spare parts cannot be returned so please choose carefully.

We can supply other Bosch and Dremel spare parts so get in touch if you need something for your angle grinder, circular saw, battery powered tools etc.

Testntools is an authorised reseller for Bosch NZ, we don't parallel import.

Reviews

No reviews found

  • Recently Viewed
  • Featured Products
  • On Sale