Menu

Bosch GGS27L Spare Part Number 103 - Armature 240V 2604010659

B-2604010659
$17190
Out of stock
Shipping Information
Description

GENUINE BOSCH PART
 
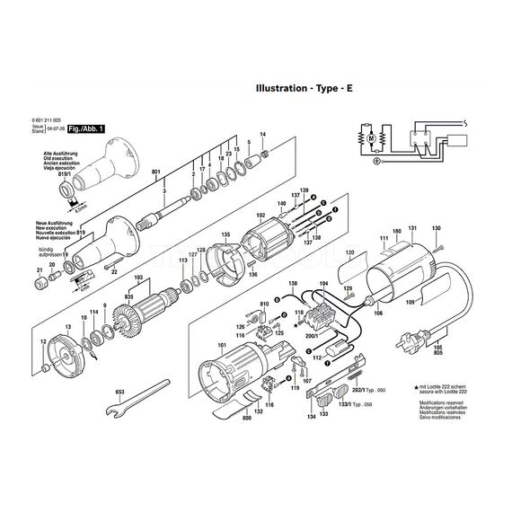
Armature 240V for Bosch Straight Grinder GGS 27 L


Part number 103 from the parts diagram - see image
 
NOTE
Spare parts cannot be returned so please choose carefully.
 
We can supply other Bosch and Dremel spare parts so get in touch if you need something for your angle grinder, circular saw, battery powered tools etc.
 
Testntools is an authorised reseller for Bosch NZ, we don't parallel import.

Reviews

No reviews found

  • Recently Viewed
  • Featured Products
  • On Sale