Menu

Bosch GCM12MX Spare Part Number 803 - Armature 230V 1609B01723

B-1609B01723
$21910
In stock
Shipping Information
Description

GENUINE BOSCH PART
 
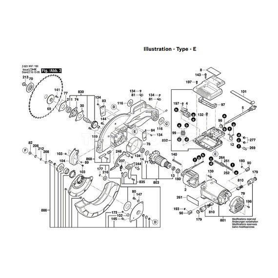
Armature 230V for Bosch Compound Mitre Saw:
GCM 12 JL
GCM 12 MX
GCM 12 X

Part number 803 from the parts diagram - see image
 
NOTE
Spare parts cannot be returned so please choose carefully.
 
We can supply other Bosch and Dremel spare parts so get in touch if you need something for your angle grinder, circular saw, battery powered tools etc.
 
Testntools is an authorised reseller for Bosch NZ, we don't parallel import.

Reviews

No reviews found

  • Recently Viewed
  • Featured Products
  • On Sale