Menu

Bosch GBH5-40DE Spare Part Number 803 - Armature 220-240V 1614011098

B-1614011098
$26070
In stock
Shipping Information
Description

GENUINE BOSCH PART

Armature 220-240V for Bosch Rotary Hammer:
GBH 5-40 DE
GSH 5 E
GBH 5-40 DCE
GBH 5-40
GSH 5 CE

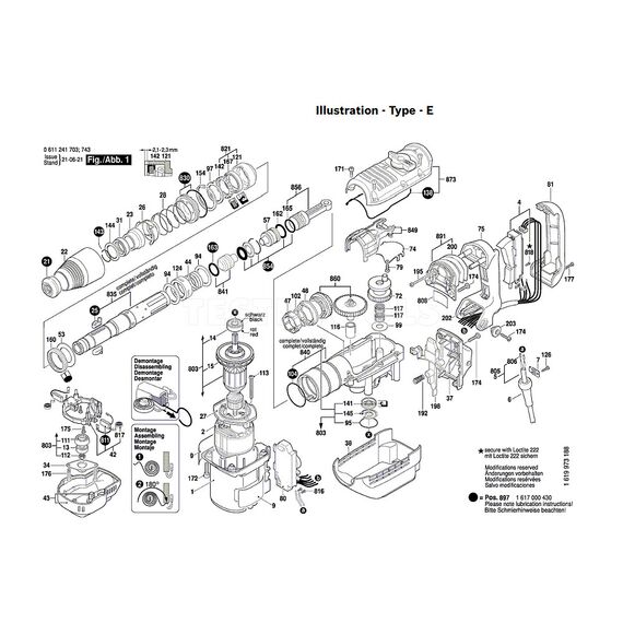
Part number 803 from the parts diagram - see image

NOTE
Spare parts cannot be returned so please choose carefully.

We can supply other Bosch and Dremel spare parts so get in touch if you need something for your angle grinder, circular saw, battery powered tools etc.

Testntools is an authorised reseller for Bosch NZ, we don't parallel import.

Reviews

No reviews found

  • Recently Viewed
  • Featured Products
  • On Sale